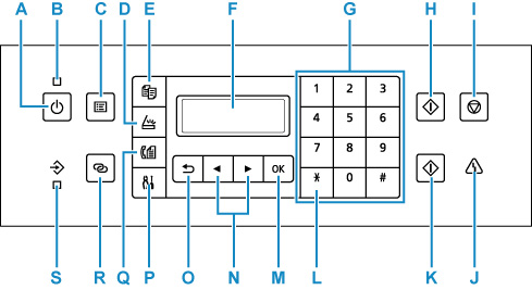
Ovládací panel

- A: Tlačidlo ZAP. (ON)
-
Zapína a vypína zariadenie. Pred zapnutím skontrolujte, či je zatvorený kryt dokumentov.
- B: Indikátor ZAP. (ON)
- Po zapnutí zariadenia začne blikať a potom ostane svietiť.
- C: Tlačidlo PONUKA (MENU)
- Slúži na zobrazenie obrazovky Ponuka kopírovania (Copy menu), Ponuka skenovania (Scan menu) alebo Ponuka faxovania (Fax menu).
- D: Tlačidlo SKENOVAŤ (SCAN)
- Prepína tlačiareň do režimu skenovania.
- E: Tlačidlo KOPÍROVAŤ (COPY)
- Prepína tlačiareň do režimu kopírovania.
- F: LCD (Displej z tekutých kryštálov)
- Zobrazuje správy, položky ponúk a prevádzkový stav.
- G: Číselné tlačidlá
- Používajú sa na zadávanie číselných hodnôt, napríklad počtu kópií, telefónnych alebo faxových čísel a znakov.
- H: Tlačidlo Č/B (Black)
- Spúšťa čiernobiele kopírovanie, skenovanie, faxovanie atď.
- I: Tlačidlo Stop
- Zastavuje prevádzku, ak práve prebieha tlač, kopírovanie, skenovanie alebo odosielanie či prijímanie faxu.
- J: Indikátor Alarm
- Keď sa vyskytne chyba, svieti alebo bliká.
- K: Tlačidlo Farebne (Color)
- Spúšťa farebné kopírovanie, skenovanie, faxovanie atď.
- L: Tlačidlo Tón (Tone)
- Ak je tlačiareň pripojená k rotačnej pulznej linke, toto tlačidlo umožňuje dočasne prepnúť na tónovú voľbu.
- M: Tlačidlo OK
- Slúži na dokončenie výberu ponuky alebo položky nastavenia. Toto tlačidlo slúži aj na vyriešenie chyby alebo na odstránenie dokumentov z podávača APD (automatický podávač dokumentov).
- N: Tlačidlá
a 
-
Používa sa na výber položky nastavenia. Tieto tlačidlá sa používajú aj pri zadávaní znakov.
- O: Tlačidlo Naspäť (Back)
- Na displeji LCD sa zobrazí predchádzajúca obrazovka.
- P: Tlačidlo Nastavenie (Setup)
- Slúži na zobrazenie obrazovky Ponuka nastavenia (Setup menu). Pomocou tejto ponuky môžete vykonávať údržbu tlačiarne a meniť jej nastavenia. Tiež sa používa na výber režim zadávania znakov.
- Q: Tlačidlo FAX
- Prepína tlačiareň do režimu faxovania.
- R: Tlačidlo Bezdrôtové pripojenie (Wireless connect)
- Podržte toto tlačidlo a nastavte informácie o bezdrôtovom smerovači v tlačiarni priamo zo smartfónu alebo iné takéto zariadenia (bez nutnosti všetky postupy v smerovači).
- S: Indikátor Pamäť FAXOV (FAX Memory)
- Svieti v prípade, ak sú v pamäti tlačiarne uložené prijaté alebo neodoslané dokumenty.

